![]() | 微型閥門鎖可單獨使用,也可組成鑰匙解決方案流程使用 他們可以鎖定設備閥門的打開或者關閉狀態 保護操作人員免受氣體傷害 IP67防護等級,高防水性能,可耐高壓蒸汽清洗 不銹鋼及金屬壓鑄材質可選 |
選型大類
產品大類 | 無鑰匙開型 不銹鋼 | 無鑰匙關型 不銹鋼 | 無鑰匙開型 金屬壓鑄 | 無鑰匙關型 金屬壓鑄 |
型號 | SWS-KOP | SWS-KCL | SWD-KOP | SWD-KCL |
說明 | 請參考詳細選型 | |||
產品技術說明
SW鑰匙機械閥門鎖 工作溫度:-40C-+170C 壓力限值:40Bar(600[psi) 5種可選連接口徑 螺紋接頭 警告:安裝的液體可能會嚴重損壞閥門 | ![]() |
|
|
不銹鋼材質選型規格
產品名稱 | 型號 | 技術說明 | 開啟 |
鑰匙閥門鎖 | SWS-KOP-1/4 | 不銹鋼微型閥門鎖1/4“ 6.35mm | 無鑰匙開 |
SWS-KOP-3/8 | 不銹鋼微型閥門鎖3/8“ 9.525mm | ||
SWS-KOP-1/2 | 不銹鋼微型閥門鎖1/2“ 12.7mm | ||
SWS-KOP-1 | 不銹鋼微型閥門鎖1“ 25.4mm | ||
SWS-KOP-2 | 不銹鋼微型閥門鎖2“ 50.8mm | ||
鑰匙閥門鎖 | SWS-KCL-1/4 | 不銹鋼微型閥門鎖1/4“ 6.35mm | 無鑰匙關 |
SWS-KCL-3/8 | 不銹鋼微型閥門鎖3/8“ 9.525mm | ||
SWS-KCL-1/2 | 不銹鋼微型閥門鎖1/2“ 12.7mm | ||
SWS-KCL-1 | 不銹鋼微型閥門鎖1“ 25.4mm | ||
SWS-KCL-2 | 不銹鋼微型閥門鎖2“ 50.8mm | ||
備注 | |||
壓鑄機械閥門鎖
Die Cast Metal Valve Lock
|
|
金屬壓鑄材質選型規格
產品名稱 | 型號 | 技術說明 | 開啟 |
鑰匙閥門鎖 | SWD-KOP-1/4 | 金屬壓鑄微型閥門鎖1/4“ 6.35mm | 無鑰匙開 |
SWD-KOP-3/8 | 金屬壓鑄微型閥門鎖3/8“ 9.525mm | ||
SWD-KOP-1/2 | 金屬壓鑄微型閥門鎖1/2“ 12.7mm | ||
SWD-KOP-1 | 金屬壓鑄微型閥門鎖1“ 25.4mm | ||
SWD-KOP-2 | 金屬壓鑄微型閥門鎖2“ 50.8mm | ||
鑰匙閥門鎖 | SWD-KCL-1/4 | 金屬壓鑄微型閥門鎖1/4“ 6.35mm | 無鑰匙關 |
SWD-KCL-3/8 | 金屬壓鑄微型閥門鎖3/8“ 9.525mm | ||
SWD-KCL-1/2 | 金屬壓鑄微型閥門鎖1/2“ 12.7mm | ||
SWD-KCL-1 | 金屬壓鑄微型閥門鎖1“ 25.4mm | ||
SWD-KCL-2 | 金屬壓鑄微型閥門鎖2“ 50.8mm | ||
備注 | |||
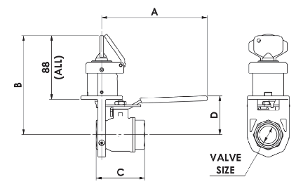
機械閥門鎖規格
|
|
安裝尺寸選型規格
產品型號 | A(mm) | B(mm) | C(mm) | 接口尺寸 |
SWS-KOP-1/4 SWS-KCL-1/4 SWD-KCL-1/4 SWD-KCL-1/4 | 96 | 125 | 39 | 0.25 INCH |
SWS-KOP-3/8 SWS-KCL-3/8 SWD-KOP-3/8 SWD-KCL-3/8 | 96 | 125 | 39 | 0.375 INCH |
SWS-KOP-1/2 SWS-KCL-1/2 SWD-KOP-1/2 SWD-KCL-1/2 | 118 | 129 | 50 | 0.5 INCH |
SWS-KOP-1 SWS-KCL-1 SWD-KOP-1 SWD-KCL-1 | 146 | 137 | 67 | 1 INCH |
SWS-KOP-2 SWS-KCL-2 SWD-KOP-2 SWD-KCL-2 | 202 | 161 | 106 | 2 INCH |
備注 | ||||
設備名稱:自動化包裝抓取設備現狀:自動化包裝抓取,風險系數協作機器人自動切料工作節拍:10-20分鐘/次產品重量:50~80g工作概述:通過按鈕指令,機器人切刀自動從左向右把產品切斷工作環境:常溫定位原理:程序定位,動態切割,靜態返程定位精度:±0.2mm......
? D3SL-Y 系列截留鑰匙安全門聯鎖? D3SL-Y 系列產品是工業安全領域的有效解決方案。同時其基于模塊化的設計原理,使得立宏安全聯鎖可以更靈活和簡便地構造聯鎖系統解決方案? 在傳統的安全門開關以及電磁安全門鎖上可以集成內部釋放授權鑰匙/安全鑰匙以及急停......

·編碼非接觸式安全開關/磁感應開關 ·緊湊型安全聯鎖開關,僅25mm ·用于小型防護裝置提供保護裝置 ·多種旋轉頭方式·長壽命 100萬次操作 ·符合安全標準等級3
Copyright ? 立宏安全設備工程(上海)有限公司 滬ICP備19034341號-1 技術支持:藍巨鯨品牌推廣